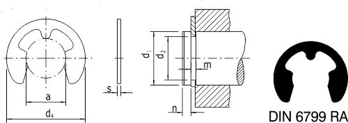
|
d2 |
d4 max |
s |
a |
PU |
kg/1000 |
|
1,2 |
3,25 |
0,30 |
1,01 |
10 |
0,007 |
|
1,5 |
4,25 |
0,40 |
1,28 |
10 |
0,019 |
|
1,9 |
4,80 |
0,50 |
1,61 |
10 |
0,040 |
|
2,3 |
6,36 |
0,60 |
1,94 |
5 |
0,060 |
|
3,2 |
7,30 |
0,60 |
2,70 |
4.5 |
0,075 |
|
4,0 |
9,30 |
0,70 |
3,34 |
3 |
0,158 |
|
5,0 |
11,30 |
0,70 |
4,11 |
2 |
0,215 |
|
6,0 |
12,30 |
0,70 |
5,26 |
4 |
0,230 |
|
7,0 |
14,30 |
0,90 |
5,84 |
3 |
0,416 |
|
8,0 |
16,30 |
1,00 |
6,52 |
3 |
0,613 |
|
9,0 |
18,80 |
1,10 |
7,36 |
2 |
0,905 |
|
10,0 |
20,40 |
1,20 |
8,32 |
2 |
1,140 |
|
12,0 |
23,40 |
1,30 |
10,45 |
1.5 |
1,770 |
|
15,0 |
29,40 |
1,50 |
12,61 |
750 |
3,370 |
|
19,0 |
37,60 |
1,75 |
15,92 |
350 |
6,420 |
|
24,0 |
44,60 |
2,00 |
21,88 |
250 |
8,150 |
|
30,0 |
52,60 |
2,50 |
25,80 |
100 |
12,500 |
|
|
 |